|
|
|
|
| 摘要: |
| CWS/CWU/CWO蜗轮蜗杆减速机符合中华人民共和国国家标准(GB9147—88)内部采用ZC1圆弧圆柱蜗杆传动,传动扭矩大,使用寿命长。主要包括:CWU蜗轮蜗杆减速机 蜗杆在下,CWS蜗轮蜗杆减速机 蜗杆在侧型?,CWO蜗轮蜗杆减速机 蜗杆在上型,中心距有16种a=63、80 |
 |
| | |
CWS/CWU/CWO蜗轮蜗杆减速机符合中华人民共和国国家标准(GB9147—88)内部采用ZC1圆弧圆柱蜗杆传动,传动扭矩大,使用寿命长。
主要包括:
CWU蜗轮蜗杆减速机 蜗杆在下型
CWS蜗轮蜗杆减速机 蜗杆在侧型
CWO蜗轮蜗杆减速机 蜗杆在上型
中心距有16种a=63、80、100、125、140、160、180、200、225、250、280、315、355、400、450、500。
传动比有12种i=5、6.3、8、10、12.5、16、20、25、31.5、40、50、63
标记示例:
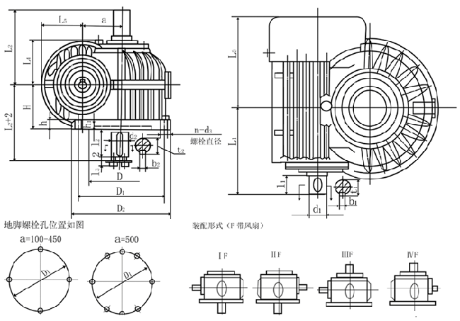
CWS63—CWS100型减速器外形和安装尺寸
|
型号\尺寸
|
a
|
B1
|
B2
|
B3
|
B4
|
C1
|
C2
|
C3
|
D
|
h
|
h1
|
i≤12.5
|
|
d1
|
I1
|
b1
|
t1
|
L1
|
|
63
|
63
|
155
|
245
|
140
|
105
|
125
|
90
|
125
|
190
|
23
|
5
|
19js6
|
28
|
6
|
21.5
|
128
|
|
80
|
80
|
180
|
270
|
160
|
110
|
150
|
95
|
145
|
210
|
23
|
5
|
24js6
|
36
|
8
|
27
|
151
|
|
100
|
100
|
220
|
325
|
200
|
125
|
190
|
110
|
185
|
240
|
23
|
5
|
28js6
|
42
|
8
|
31
|
182
|
|
型号\尺寸
|
i≥16
|
d2
|
I2
|
b2
|
t2
|
L2
|
L3
|
L4
|
H
|
d3
|
kg(不含油)
|
|
d1
|
I1
|
b1
|
t1
|
L1
|
|
63
|
19js6
|
28
|
6
|
21.5
|
128
|
32k6
|
58
|
10
|
35
|
135
|
97
|
70
|
75
|
M12
|
19
|
|
80
|
24js6
|
36
|
8
|
27
|
151
|
38k6
|
58
|
10
|
41
|
143
|
110
|
81
|
80
|
M12
|
28
|
|
100
|
24js6
|
36
|
8
|
27
|
176
|
42k6
|
82
|
12
|
45
|
182
|
130
|
95
|
95
|
M12
|
42.5
|

型号\尺寸
| a |
D |
D1 |
D2 |
L3 |
L4 |
L5 |
h |
h1 |
H |
i≤12.5 |
| d1 |
I1 |
b1 |
t1 |
L1 |
| 125 |
125 |
230 |
280 |
320 |
202 |
134 |
125 |
32 |
8 |
132 |
32k6 |
58 |
10 |
35 |
218 |
| 160 |
160 |
300 |
360 |
400 |
245 |
157 |
142 |
32 |
8 |
160 |
42k6 |
82 |
12 |
45 |
277 |
| 200 |
200 |
370 |
435 |
480 |
295 |
181 |
180 |
38 |
8 |
190 |
48k6 |
82 |
14 |
51.5 |
324 |
| 250 |
250 |
470 |
540 |
600 |
360 |
210 |
210 |
40 |
8 |
212 |
55k6 |
82 |
16 |
59 |
380 |
| 280 |
280 |
550 |
640 |
700 |
390 |
226 |
215 |
45 |
8 |
225 |
60m6 |
105 |
18 |
64 |
430 |
| 315 |
315 |
605 |
700 |
760 |
430 |
243 |
235 |
50 |
10 |
250 |
65m6 |
105 |
18 |
69 |
470 |
| 355 |
355 |
700 |
805 |
880 |
480 |
256 |
235 |
55 |
10 |
265 |
70m6 |
105 |
20 |
74.5 |
515 |
| 400 |
400 |
765 |
875 |
950 |
515 |
278 |
247 |
60 |
10 |
265 |
75m6 |
105 |
20 |
79.5 |
545 |
| 450 |
450 |
875 |
990 |
1070 |
565 |
300 |
275 |
65 |
10 |
315 |
80m6 |
130 |
22 |
85 |
625 |
| 500 |
500 |
1000 |
1100 |
1180 |
655 |
344 |
300 |
75 |
10 |
375 |
90m6 |
130 |
25 |
95 |
680 |
| 型号\尺寸 |
i≥16 |
d2 |
I2 |
b2 |
t2 |
L2 |
I3 |
地脚螺栓 |
kg(不含油) |
| d1 |
I1 |
b1 |
t1 |
L1 |
d3 |
n |
| 125 |
28js6 |
42 |
8 |
31 |
202 |
55k6 |
82 |
16 |
59 |
222 |
14 |
M12 |
4 |
95 |
| 160 |
32k6 |
58 |
10 |
35 |
253 |
65m6 |
105 |
18 |
69 |
270 |
15 |
M16 |
4 |
150 |
| 200 |
38k6 |
58 |
10 |
41 |
300 |
80m6 |
130 |
22 |
85 |
325 |
17 |
M16 |
4 |
270 |
| 250 |
42k6 |
82 |
12 |
45 |
380 |
100m6 |
165 |
28 |
106 |
385 |
17 |
M20 |
4 |
410 |
| 280 |
48k6 |
82 |
14 |
51.5 |
407 |
110m6 |
165 |
28 |
116 |
405 |
17 |
M24 |
4 |
550 |
| 315 |
48k6 |
82 |
14 |
51.5 |
447 |
120m6 |
165 |
32 |
127 |
420 |
17 |
M24 |
4 |
750 |
| 355 |
55k6 |
82 |
16 |
59 |
492 |
130m6 |
200 |
32 |
137 |
470 |
17 |
M30 |
4 |
930 |
| 400 |
60m6 |
105 |
18 |
64 |
545 |
150m6 |
200 |
36 |
158 |
490 |
24 |
M30 |
4 |
1200 |
| 450 |
65m6 |
105 |
18 |
69 |
600 |
170m6 |
240 |
40 |
179 |
560 |
24 |
M36 |
4 |
1650 |
| 500 |
70m6 |
105 |
20 |
74.5 |
655 |
190m6 |
280 |
45 |
200 |
640 |
24 |
M30 |
6 |
2190 |
|
型号\尺寸
|
a
|
D
|
D1
|
D2
|
L3
|
L4
|
L5
|
h
|
h1
|
H
|
i≤12.5
|
|
d1
|
I1
|
b1
|
t1
|
L1
|
|
125
|
125
|
230
|
280
|
320
|
202
|
134
|
125
|
32
|
8
|
132
|
32k6
|
58
|
10
|
35
|
218
|
|
160
|
160
|
300
|
360
|
400
|
245
|
157
|
142
|
32
|
8
|
160
|
42k6
|
82
|
12
|
45
|
277
|
|
200
|
200
|
370
|
435
|
480
|
295
|
181
|
180
|
38
|
8
|
190
|
48k6
|
82
|
14
|
51.5
|
324
|
|
250
|
250
|
470
|
540
|
600
|
360
|
210
|
210
|
40
|
8
|
212
|
55k6
|
82
|
16
|
59
|
380
|
|
280
|
280
|
550
|
640
|
700
|
390
|
226
|
215
|
45
|
8
|
225
|
60m6
|
105
|
18
|
64
|
430
|
|
315
|
315
|
605
|
700
|
760
|
430
|
243
|
235
|
50
|
10
|
250
|
65m6
|
105
|
18
|
69
|
470
|
|
355
|
355
|
700
|
805
|
880
|
480
|
256
|
235
|
55
|
10
|
265
|
70m6
|
105
|
20
|
74.5
|
515
|
|
400
|
400
|
765
|
875
|
950
|
515
|
278
|
247
|
60
|
10
|
265
|
75m6
|
105
|
20
|
79.5
|
545
|
|
450
|
450
|
875
|
990
|
1070
|
565
|
300
|
275
|
65
|
10
|
315
|
80m6
|
130
|
22
|
85
|
625
|
|
500
|
500
|
1000
|
1100
|
1180
|
655
|
344
|
300
|
75
|
10
|
375
|
90m6
|
130
|
25
|
95
|
680
|
|
型号\尺寸
|
i≥16
|
d2
|
I2
|
b2
|
t2
|
L2
|
I3
|
地脚螺栓
|
kg(不含油)
|
|
d1
|
I1
|
b1
|
t1
|
L1
|
d3
|
n
|
|
125
|
28js6
|
42
|
8
|
31
|
202
|
55k6
|
82
|
16
|
59
|
222
|
14
|
M12
|
4
|
95
|
|
160
|
32k6
|
58
|
10
|
35
|
253
|
65m6
|
105
|
18
|
69
|
270
|
15
|
M16
|
4
|
150
|
|
200
|
38k6
|
58
|
10
|
41
|
300
|
80m6
|
130
|
22
|
85
|
325
|
17
|
M16
|
4
|
270
|
|
250
|
42k6
|
82
|
12
|
45
|
380
|
100m6
|
165
|
28
|
106
|
385
|
17
|
M20
|
4
|
410
|
|
280
|
48k6
|
82
|
14
|
51.5
|
407
|
110m6
|
165
|
28
|
116
|
405
|
17
|
M24
|
4
|
550
|
|
315
|
48k6
|
82
|
14
|
51.5
|
447
|
120m6
|
165
|
32
|
127
|
420
|
17
|
M24
|
4
|
750
|
|
355
|
55k6
|
82
|
16
|
59
|
492
|
130m6
|
200
|
32
|
137
|
470
|
17
|
M30
|
4
|
930
|
|
400
|
60m6
|
105
|
18
|
64
|
545
|
150m6
|
200
|
36
|
158
|
490
|
24
|
M30
|
4
|
1200
|
|
450
|
65m6
|
105
|
18
|
69
|
600
|
170m6
|
240
|
40
|
179
|
560
|
24
|
M36
|
4
|
1650
|
|
500
|
70m6
|
105
|
20
|
74.5
|
655
|
190m6
|
280
|
45
|
200
|
640
|
24
|
M30
|
6
|
2190
|
|
型号\尺寸
|
a
|
B1
|
B2
|
C1
|
C2
|
h
|
H
|
H1
|
d3
|
i≤12.5
|
|
d1
|
I1
|
b1
|
t1
|
L1
|
|
63
|
63
|
148
|
180
|
115
|
150
|
12
|
54
|
220
|
M12
|
19js6
|
28
|
6
|
21.5
|
128
|
|
80
|
80
|
175
|
200
|
140
|
170
|
15
|
65
|
267
|
M12
|
24js6
|
36
|
8
|
27
|
151
|
|
100
|
100
|
218
|
230
|
175
|
190
|
15
|
80
|
322
|
M12
|
28js6
|
42
|
8
|
31
|
182
|
|
型号\尺寸
|
i≥16
|
d2
|
I2
|
b2
|
t2
|
L2
|
L3
|
L4
|
kg(不含油)
|
|
d1
|
I1
|
b1
|
t1
|
L1
|
|
63
|
19js6
|
28
|
6
|
21.5
|
128
|
32k6
|
58
|
10
|
35
|
135
|
97
|
70
|
19.5
|
|
80
|
24js6
|
36
|
8
|
27
|
151
|
38k6
|
58
|
10
|
41
|
143
|
110
|
81
|
28.5
|
|
100
|
24js6
|
36
|
8
|
27
|
176
|
42k6
|
82
|
12
|
45
|
182
|
130
|
95
|
43
|

|
型号\尺寸
|
a
|
B1
|
B2
|
B3
|
C1
|
C2
|
i≤12.5
|
i≥16
|
|
d1
|
I
|
b1
|
t1
|
L1
|
d1
|
I1
|
b1
|
t1
|
L1
|
|
125
|
125
|
260
|
250
|
310
|
220
|
205
|
32k6
|
58
|
10
|
35
|
218
|
28js6
|
42
|
8
|
31
|
202
|
|
140
|
140
|
285
|
275
|
345
|
230
|
225
|
38k6
|
58
|
10
|
41
|
228
|
28js6
|
42
|
8
|
31
|
212
|
|
160
|
160
|
325
|
300
|
385
|
230
|
250
|
42k6
|
82
|
12
|
45
|
277
|
32k6
|
58
|
10
|
35
|
253
|
|
180
|
180
|
350
|
320
|
420
|
260
|
270
|
42k6
|
82
|
12
|
45
|
292
|
32k6
|
58
|
10
|
35
|
268
|
|
200
|
200
|
400
|
350
|
465
|
280
|
300
|
48k6
|
82
|
14
|
51.5
|
324
|
38k6
|
58
|
10
|
41
|
300
|
|
225
|
225
|
440
|
380
|
505
|
325
|
325
|
48k6
|
82
|
14
|
51.5
|
342
|
38k6
|
58
|
10
|
41
|
318
|
|
250
|
250
|
510
|
410
|
575
|
370
|
350
|
55k6
|
82
|
16
|
59
|
380
|
42k6
|
82
|
12
|
45
|
380
|
|
280
|
280
|
570
|
460
|
645
|
420
|
400
|
60m6
|
105
|
18
|
64
|
430
|
48k6
|
82
|
14
|
51.5
|
407
|
|
315
|
315
|
640
|
530
|
715
|
470
|
445
|
65m6
|
105
|
18
|
69
|
470
|
48k6
|
82
|
14
|
51.5
|
447
|
|
355
|
355
|
730
|
580
|
805
|
540
|
490
|
70m6
|
105
|
20
|
74.5
|
515
|
55k6
|
82
|
16
|
59
|
492
|
|
400
|
400
|
790
|
620
|
880
|
620
|
530
|
75m6
|
105
|
20
|
79.5
|
545
|
60m6
|
105
|
18
|
64
|
545
|
|
450
|
450
|
885
|
680
|
985
|
700
|
580
|
80m6
|
130
|
22
|
85
|
625
|
65m6
|
105
|
18
|
69
|
600
|
|
500
|
500
|
1015
|
750
|
1115
|
760
|
640
|
90m6
|
130
|
25
|
95
|
680
|
70m6
|
105
|
20
|
74.5
|
655
|
|
型号\尺寸
|
d2
|
I2
|
b2
|
t2
|
L2
|
L3
|
L4
|
L5
|
L6
|
h
|
H
|
H1
|
d3
|
重量(不含油)
|
|
125
|
55K6
|
82
|
16
|
59
|
222
|
202
|
133
|
153
|
147
|
30
|
125
|
408
|
M16
|
92
|
|
140
|
60m6
|
105
|
18
|
64
|
260
|
220
|
144
|
166
|
160
|
30
|
140
|
445
|
M16
|
120
|
|
160
|
65m6
|
105
|
18
|
69
|
270
|
245
|
156
|
186
|
172
|
35
|
160
|
510
|
M16
|
145
|
|
180
|
75m6
|
105
|
20
|
79.5
|
290
|
260
|
173
|
200
|
182
|
35
|
180
|
560
|
M20
|
200
|
|
200
|
80m6
|
130
|
22
|
85
|
325
|
295
|
180
|
235
|
197
|
40
|
200
|
650
|
M20
|
260
|
|
225
|
90m6
|
130
|
25
|
95
|
340
|
320
|
193
|
247
|
212
|
40
|
225
|
730
|
M20
|
320
|
|
250
|
100m6
|
165
|
28
|
106
|
385
|
360
|
209
|
285
|
228
|
45
|
225
|
785
|
M24
|
395
|
|
280
|
110m6
|
165
|
28
|
116
|
405
|
390
|
225
|
312
|
253
|
50
|
250
|
885
|
M24
|
530
|
|
315
|
120m6
|
165
|
32
|
127
|
420
|
430
|
242
|
352
|
289
|
50
|
280
|
980
|
M30
|
700
|
|
355
|
130m6
|
200
|
32
|
137
|
470
|
480
|
255
|
397
|
315
|
55
|
300
|
1085
|
M30
|
910
|
|
400
|
150m6
|
200
|
36
|
158
|
490
|
515
|
277
|
429
|
335
|
60
|
315
|
1175
|
M30
|
1200
|
|
450
|
170m6
|
240
|
40
|
179
|
560
|
575
|
299
|
484
|
367
|
65
|
355
|
1310
|
M36
|
1660
|
|
500
|
190m6
|
280
|
45
|
200
|
640
|
655
|
343
|
549
|
403
|
80
|
400
|
1450
|
M36
|
2330
|
|
型号\尺寸
|
a
|
B1
|
B2
|
C1
|
C2
|
h
|
H
|
H1
|
h1
|
i≤12.5
|
|
d1
|
I1
|
b1
|
t1
|
L1
|
|
63
|
63
|
148
|
180
|
115
|
150
|
12
|
117
|
245
|
M12
|
19js6
|
28
|
6
|
21.5
|
128
|
|
80
|
80
|
175
|
200
|
140
|
170
|
15
|
145
|
296
|
M12
|
24js6
|
36
|
8
|
27
|
151
|
|
100
|
100
|
218
|
230
|
175
|
190
|
15
|
180
|
365
|
M12
|
28js6
|
42
|
8
|
31
|
182
|
|
型号\尺寸
|
i≥16
|
d2
|
I2
|
b2
|
t2
|
L2
|
L3
|
L4
|
重量(不含油)
|
|
d1
|
I1
|
b1
|
t1
|
L1
|
|
63
|
19js6
|
28
|
6
|
21.5
|
128
|
32k6
|
58
|
10
|
35
|
135
|
97
|
70
|
19.5
|
|
80
|
24js6
|
36
|
8
|
27
|
151
|
38k6
|
58
|
10
|
41
|
143
|
110
|
81
|
28 .5
|
|
100
|
24js6
|
36
|
8
|
27
|
176
|
42k6
|
82
|
12
|
45
|
182
|
130
|
95
|
43
|
CWO125—CWO500型减速器外形和安装尺寸

|
型号\尺寸
|
a
|
B1
|
B2
|
B3
|
C1
|
C2
|
h
|
H
|
H1
|
d2
|
i≤12.5
|
|
d1
|
I1
|
b1
|
t1
|
L1
|
|
125
|
125
|
260
|
250
|
310
|
220
|
205
|
30
|
155
|
410
|
M16
|
32k6
|
58
|
10
|
35
|
218
|
|
140
|
140
|
285
|
275
|
345
|
230
|
225
|
30
|
195
|
485
|
M16
|
38k6
|
58
|
10
|
41
|
228
|
|
160
|
160
|
325
|
300
|
385
|
230
|
250
|
35
|
195
|
510
|
M16
|
42k6
|
82
|
12
|
45
|
277
|
|
180
|
180
|
350
|
320
|
420
|
260
|
270
|
35
|
220
|
600
|
M20
|
42k6
|
82
|
12
|
45
|
292
|
|
200
|
200
|
400
|
350
|
465
|
280
|
300
|
40
|
250
|
655
|
M20
|
48k6
|
82
|
14
|
51.5
|
324
|
|
225
|
225
|
440
|
380
|
505
|
325
|
325
|
40
|
275
|
700
|
M20
|
48k6
|
82
|
14
|
51.5
|
342
|
|
250
|
250
|
510
|
410
|
575
|
370
|
350
|
45
|
310
|
820
|
M24
|
55k6
|
82
|
16
|
59
|
380
|
|
型号\尺寸
|
i≥16
|
d2
|
I2
|
b2
|
t2
|
L2
|
L3
|
L4
|
L5
|
重量 (不含油)
|
|
d1
|
I1
|
b1
|
t1
|
L1
|
|
125
|
28js6
|
42
|
8
|
31
|
202
|
55k6
|
82
|
16
|
59
|
222
|
202
|
133
|
153
|
98
|
|
140
|
28js6
|
42
|
8
|
31
|
212
|
60m6
|
105
|
18
|
64
|
260
|
220
|
144
|
166
|
110
|
|
160
|
32k6
|
58
|
10
|
35
|
253
|
65m6
|
105
|
18
|
69
|
270
|
245
|
156
|
186
|
150
|
|
180
|
32k6
|
58
|
10
|
35
|
268
|
75m6
|
105
|
20
|
79.5
|
290
|
260
|
173
|
200
|
210
|
|
200
|
38k6
|
58
|
10
|
41
|
300
|
80m6
|
130
|
22
|
85
|
325
|
295
|
188
|
235
|
270
|
|
225
|
38k6
|
58
|
10
|
41
|
318
|
90m6
|
130
|
25
|
95
|
340
|
320
|
193
|
247
|
335
|
|
250
|
42k6
|
82
|
12
|
45
|
380
|
100m6
|
165
|
28
|
106
|
385
|
360
|
210
|
285
|
410
|
|
| |